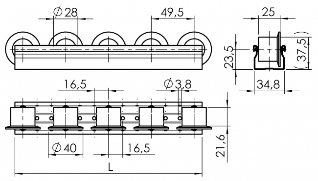
Röllchenleiste D 28 geführt
Material:
Rollen: ABS; Gehäuse: Stahl, verzinkt
Mindestbestellmenge:
1 Stück à 4000 mm
Farbe:
Rollen: gelb
Beschreibung:
Röllchenleiste D 28 geführt
Extras
Traglast pro Rolle: ca. 60 N, Widerstandmoment Wx=0,5 cm³
| L (mm) | Gewicht (Kg/Meter) | Artikelnummer | ||
|---|---|---|---|---|
| 4000 | 0,810 | 6320 K 028F GE 01 |