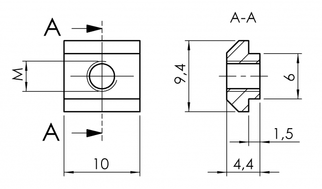
Nutenstein Nut 6 mit Führung
Material:
Stahl, verzinkt
Mindestbestellmenge:
50 Stück
Farbe:
galv. verzinkt
Beschreibung:
Nutenstein Nut 6 mit Führungssteg
| M | Nut | Gewicht (g) | Artikelnummer | |
|---|---|---|---|---|
| 4 | 6 | 2,20 | 3006 S 04 VZ 01 | |
| 5 | 6 | 2,00 | 3006 S 05 VZ 01 | |