Bohrlehren für Schnellspannverbinder
Material:
Stahl, verzinkt
Mindestbestellmenge:
1 Stück
Farbe:
natur
Beschreibung:
Zur schnellen und genauen Fertigung von Bohrungen für Schnellspannverbinder
Extras
Erhältlich für verschiedene Profiltypen und -größen
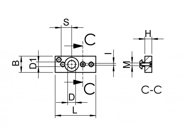
| Nut N (mm) | Profiltyp | M / I | D / S | L (mm) | B (mm) | H (mm) | Gewicht (g) | Artikelnummer |
|---|---|---|---|---|---|---|---|---|
| 10 | B | 6 / 5 | 17 / 22,5 | 56 | 25 | 15 | 375 | 6901 S 0010 VZ 01 |
| 8 | B | 5 / 5 | 11 / 18,5 | 90 | 25 | 11 | 200 | 6901 S 0008 VZ 01 |
| 6 | B | 5 / 4 | 8 / 10 | 56 | 25 | 15 | 165 | 6901 S 0006 VZ 01 |
| 8 | I | 5 / 4 | 11 / 16 | 80 | 30 | 15 | 280 | 6901 S 0008 VZ 02 |