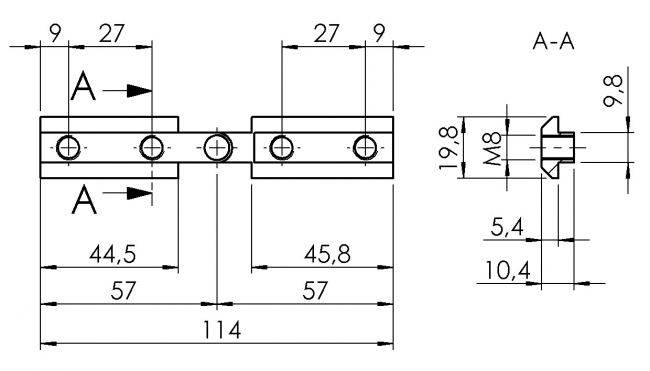
Gelenknutverbinder 114mm (innen)
Material:
Stahl
Mindestbestellmenge:
10 Stück
Farbe:
galv. verzinkt
Beschreibung:
Vorzugsweise als Gehrungs-Stirnverbinder für zwei Profile unter einem Winkel zwischen 0° und 90°
Extras
Inklusive Gewindestifte M8x12
| Nut | Gewicht (g) | Artikelnummer | ||
|---|---|---|---|---|
| 10 | 106,0 | 4110 S 0114 VZ 01 |