Direkt zum Inhalt

Benötigen Sie Hilfe? Kontaktieren Sie uns: +49 7133 -205005-0

  • DE
  • EN
Diese Website ist durch reCAPTCHA geschützt und es gelten die Datenschutzbestimmungen und Nutzungsbedingungen von Google.
Startseite
TecEnMa GmbH
Technologies for Engineering and Manufacturing
  • Startseite
  • Produkte
    • Bodenelemente
    • Beschlagteile
    • Befestigungstechnik
    • Verbindungstechnik
    • Rohrprofil
    • Zubehör
  • Kataloge
    • Print-Katalog
    • PDF-Katalog
    • Online-Katalog
  • Über Uns
    • Firmenphilosophie
    • News
    • Newsletter
  • Karriere
  • Kontakt
  • Impressum
  • AGB
  • Datenschutz

Schraube Nutkopf Rund

Schraube Nutkopf Rund

Schraube Nutkopf Rund
Schraube Nutkopf Rund
Schraube Nutkopf Rund
Schraube Nutkopf Rund
Schraube Nutkopf Rund
Schraube Nutkopf Rund
Material:
Stahl, verzinkt
Mindestbestellmenge:
50 Stück
Farbe:
galv. verzinkt
 
Beschreibung:

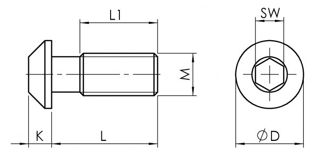
Schraube Nutkopf Rund, Innensechskant

 
für Nut M L (mm) L1 (mm) D (mm) K (mm) SW (mm) Gewicht (g) Artikelnummer
8 8 16 15 13,7 4,5 5 7,8 3510 S 0816 VZ 01
10 12 30 22 19,2 6,5 8 28,5 3510 S 1230 VZ 01
Nutkopf Schrauben
Schraube
Nutkopf
Spezialschraube
Schraube Nutkopf
M12
M8
3510 S 0816 VZ 01
3510 S 1230 VZ 01

Produkte

  • Bodenelemente
    • Stellfüße
    • Gelenkfüße
    • Fundamentverbinder
    • Fußplatten
    • Rollen
  • Beschlagteile
    • Scharniere
      • Spezial Scharniere
      • Scharniere Lochabstand variabel
      • Scharniere Lochabstand fix aushängbar
      • Scharniere Lochabstand fix
    • Handgriffe
    • Schließelemente
    • sonstige Beschlagteile
  • Befestigungstechnik
    • Nutenstein
      • Nut 5
      • Nut 6
      • Nut 8
      • Nut 10
      • Nut 12
    • Hammermutter
    • Rhombussteine
    • Hammerschraube
      • Nut 8
      • Nut 8 mit Kugel
      • Nut 10
    • Gewindeplatten
    • Schrauben
      • Weitere Schrauben
      • Selbstfurchende Schrauben
      • Nutkopf Schrauben
    • Muttern
  • Verbindungstechnik
    • Druckgusswinkel
    • Abdeckkappen Druckgusswinkel
    • Eckwinkel
    • Nutverbinder
      • Nutwinkel
      • Gelenknutverbinder
      • Automatikverbinder
    • Spezialverbinder
    • Schrägverbinder
      • Nut 8
      • Nut 10
    • Schnellspannverbinder
    • Abdeckkappen für Schnellspannverbinder
    • Bolzenverbinder
      • Einzelteile Bolzenverbinder
      • Nut 8
      • Nut 10
    • Gelenke
    • Halteplatte
  • Rohrprofil
    • Rohr
    • Rohrverbinder
    • Aufnahme für Rollen
    • Rohrprofilzubehör
    • Zubehör Röllchenleisten
  • Zubehör
    • Abdeckkappen
    • Abdeckprofile
      • Nut 6
      • Nut 8
      • Nut 10
    • Einfassprofile
    • Gleiter
    • Uniblocks
    • Röllchenleisten
    • Installationselemente
    • Sonderteile
      • Arbeitsplatzzubehör
    • Transportplatten
    • Werkzeuge und Hilfsmittel

Pfadnavigation

  1. Startseite
  2. Produkte
  3. Schraube Nutkopf Rund

Benötigen Sie Hilfe?
Kontaktieren Sie uns: +49 7133 -205005-0

  • twitter
  • facebook
  • google-plus
  • youtube
Startseite
TecEnMa GmbH
Technologies for Engineering and Manufacturing

Wir liefern qualitativ hochwertige Produkte und sind uns stets unserer Verantwortung gegenüber Ihren Ansprüchen bewusst.

 
senat-der-wirtschaft-deutschland

Produkte

  • Bodenelemente
  • Beschlagteile
  • Befestigungstechnik
  • Verbindungstechnik
  • Rohrprofil
  • Zubehör

Kataloge

  • Print-Katalog
  • PDF-Katalog
  • Online-Katalog

Über Uns

  • Firmenphilosophie
  • News
  • Karriere
  • Newsletter

Contact

TecEnMa GmbH
Technologies for Engineering and Manufacturing
Wacholderweg 3
74382 Neckarwestheim /Germany

Tel.: +49 71 33 -205 005 -0
Fax: +49 71 33 -205 005 -350

E-Mail: info@tecenma.com
Web: www.tecenma.com

2026 © TecEnMa GmbH. Alle Rechte vorbehalten.

  • Impressum
  • AGB
  • Datenschutz
  • Cookie-Einstellungen
Clear keys input element