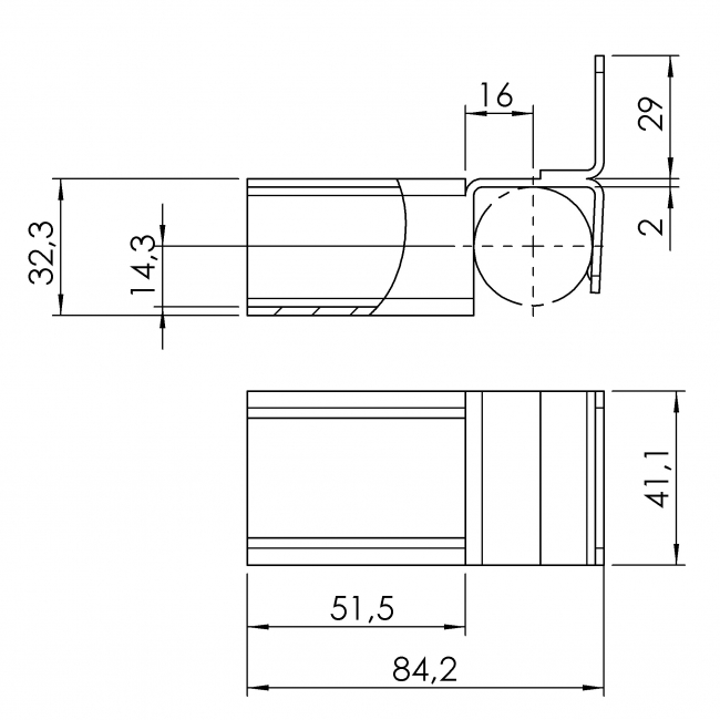
Wheel Rails inclusion with stop
Material:
zinc-plated steel
Mindestbestellmenge:
8 pcs.
Farbe:
galvanized
Beschreibung:
Wheel Rails inclusion with stop
| For tube diameter | Weight (g) | Part Number | ||
|---|---|---|---|---|
| 28 mm | 159 | 5053 S 002 VZ 01 |