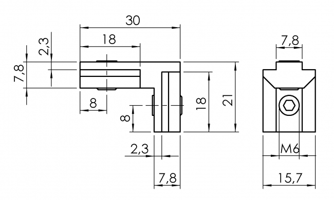
Groove angle slot 8 outside
Material:
zinc die-cast, galvanized
Mindestbestellmenge:
50 Stück
Farbe:
galvanized
Beschreibung:
Groove angle slot 8 outside
Extras
Also available for the inside
| Slot | Weight (g) | Part Number | ||
|---|---|---|---|---|
| 8 | 21,0 | 4101 S 0802 VZ 01 |