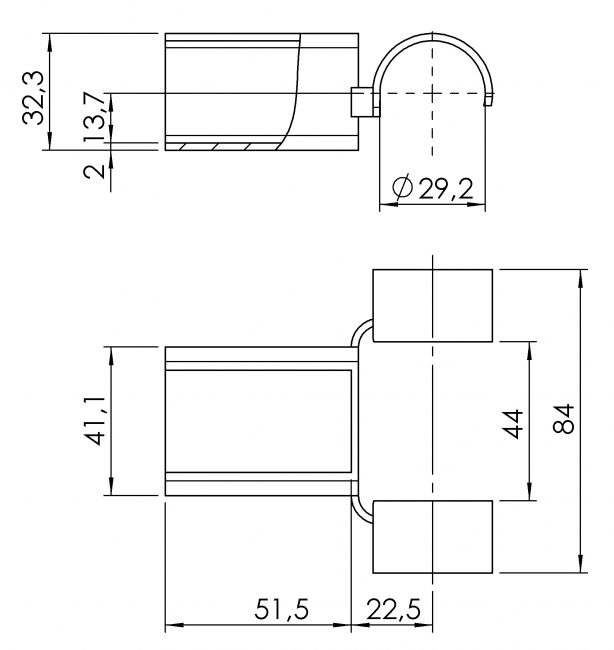
Wheel Rails inclusion swivel joint
Material:
zinc-plated steel
Mindestbestellmenge:
4 pcs.
Farbe:
galvanized
Beschreibung:
Wheel Rails inclusion swivel joint
| For tube diameter | Weight (g) | Part Number | ||
|---|---|---|---|---|
| 28 mm | 139 | 5053 S 007 VZ 01 |