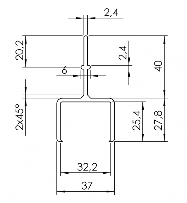
Lateral guidance middle
Material:
PVC
Mindestbestellmenge:
1 pc à 4000mm
Farbe:
white
Beschreibung:
Lateral guidance center for wheel rails
| Length (mm) | Weight (g/m) | Part Number | ||
|---|---|---|---|---|
| 4000 | 496 | 5060 K 003 WS 01 |