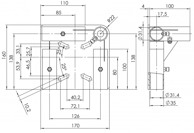
Inclusion for Castors left side
Material:
zinc-plated steel
Mindestbestellmenge:
2 pcs.
Farbe:
black
Beschreibung:
Inclusion for Castors left side
| consisting of: | Screw | Weight (g) | Part Number | |
|---|---|---|---|---|
| 5031 S 002 SW 01 | 4x M6x12 | 1000 | 5031 S 002 SW 01 |