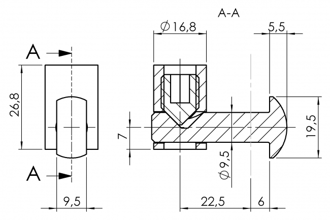
Quick connector slot 10 outside
Material:
zinc-plated steel
Mindestbestellmenge:
50 pcs.
Farbe:
galvanized
Beschreibung:
To connect two aluminum profiles with each other. To provide access to the tightening screw, a hole must be drilled through one of the profiles.
| Slot | Weight (g) | Part Number | ||
|---|---|---|---|---|
| 10 | 55,2 | 4510 S 1001 VZ 01 |